
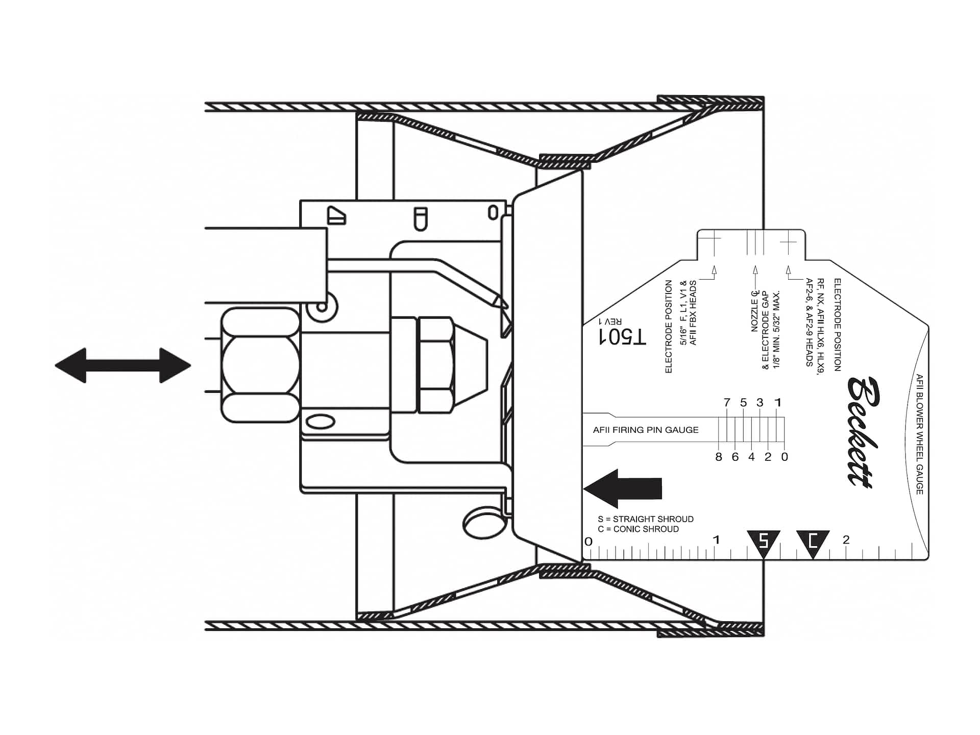
Using T501 Multipurpose Gauge on RF, NX, AF, AFG, AFII, SR, SM, and SF Burners
Setting Electrode Tip Positions
To position the electrode tips in front of the face of the nozzle and above the center line, select one of two cross marks for the burners as shown in either Figure 2 or 3. Set one tip to the gauge position then adjust the other to match. Electrode tip setting reference chart is shown below. (See individual instruction manuals for more details.)
| Burner Model (Heads) | Electrode Tip Gap | Tip Height Above Nozzle Centerline | Tip Forward of Nozzle Face |
| RF, NX | 5/32″ | 1/4″ | 3/32″ |
| Standard AFG – (F, L, V), AF -(F), AFII – (FBX) | 5/32″ | 5/16″ | 1/16″ |
| AFII – (HLX, AF2) | 5/32″ | 1/4″ | 3/32″ |
| *Alternate AFG – (L & V Heads) | 5/32″ | 1/4″ | 1/8″ |
* Application specific. Not shown on T501 Gauge.
Figure 2. (Click to view larger)
F, FBX, L, and V Heads
F, FBX, L and V head settings are set by aligning the electrode tip with the 5/16″ cross marks (Figure 2). After setting proceed to ‘Tip Gap Spacing’, Figure 4.
Note: Be careful not to scratch the nozzle face.
Tip Gap Spacing
Set the electrode tip gap spacing (5/32″) by adjusting the tips to meet the two outside marks shown in Figure 4. Make sure the tips are centered above the nozzle by maintaining the center mark of the gauge directly above the nozzle centerline. (Also see Figure 1.)
Center of Nozzle to Head Inside Diameter
To check that the nozzle is approximately centered with the head inside diameter on FBX and F heads place gauge in head and note the gauge center mark location with respect to the nozzle center. Rotate the gauge and check several positions. For RF, NX, HLX, AF2, L and V heads, align the edge of the gauge with the inside diameter of the head and note the location of the gauge center mark with respect to the center of the nozzle. See Figures 5a and 5b.
FBX and F head “Z” Setting
The “Z” or zero dimension is important because it locates the nozzle for the precise relationship with the combustion head. To set the “Z” dimension for FBX and F heads, position the gauge as shown in Figure 6 and loosen the nozzle line electrode assembly so that it can be moved forward or backward in the air tube until the nozzle becomes flush against the gauge. Tighten the nozzle line escutcheon plate screw to lock this “Z” dimension securely.
Figure 7. (Click to view larger)
HLX or AF2 (Similar with L and V Heads)
To set the HLX or AF2 nozzle-to-head position loosen the set screw allowing the head assembly to be moved forward and backward. Set the gauge against head as shown in Figure 7. Move the head assembly until it makes contact with the nozzle face and tighten set screw.
Figure 8. (Click to view larger)
RF, NX, HLX or AF2
For L heads with straight shroud, set the “Z” dimension (1-3/8″) by placing the gauge edge on the leading edge of the head, and aligning the S pointer mark with the end of the straight shroud.
For L heads with conic shroud, set the “Z” dimension (1-3/4″) by placing the gauge edge on the leading edge of the head, and aligning the C pointer mark with the end of the conic shroud. (See Figure 10.)
V Head “Z” Setting & Adjusting Plate Setting
The V head utilizes a two piece adjusting plate. To set the “Z” dimension (1-3/4″), first place the adjusting plate in the 0 position and tighten the mounting screw. Loosen the acorn nut on the second plate (and the spline nut, see Figure 9), to permit free nozzle line movement. Place the gauge edge against the leading edge of the head, and align the C mark with the end of the conic shroud shown in Figure 10. Tighten the acorn nut (this will not require further adjustment). To adjust the head assembly to the desired head setting, loosen the adjusting plate screw (see Figure 9) and move the adjusting plate forward to the required setting. Check the appliance label/manual for correct settings. Tighten the adjusting plate screw and spline nut.
Figure 11. (Click to view larger)
AFII Firing Pin Length
This gauge can be used to check the AFII firing pin stop screw lengths (see Figure 11). To check, place the bottom edge of the firing pin head against the edge of the gauge and read the number indicated on the gauge at the end of the pin. This number should be the same as the number stamped into the head of the firing pin.
Beckett Training is Now Online
Informative and technical training resources from the leading experts in the heating industry
We're Here to Help!
Have questions about our products? Looking for a solution to address a particular application? Looking to improve the overall productivity and profitability of your operation? Please don’t hesitate to reach out or schedule a no obligation, 1-on-1 consultation with a Beckett Technical Specialist — we’d love to help.
Where to Buy
Beckett solutions are available through our network of Distributors, Independent Representatives, and Export Representatives all around the world.














































