
GeniSys Wiring
This quick tutorial will guide you through the steps on wiring the GeniSys Control for Boilers and Furnaces. Click each image to view larger.
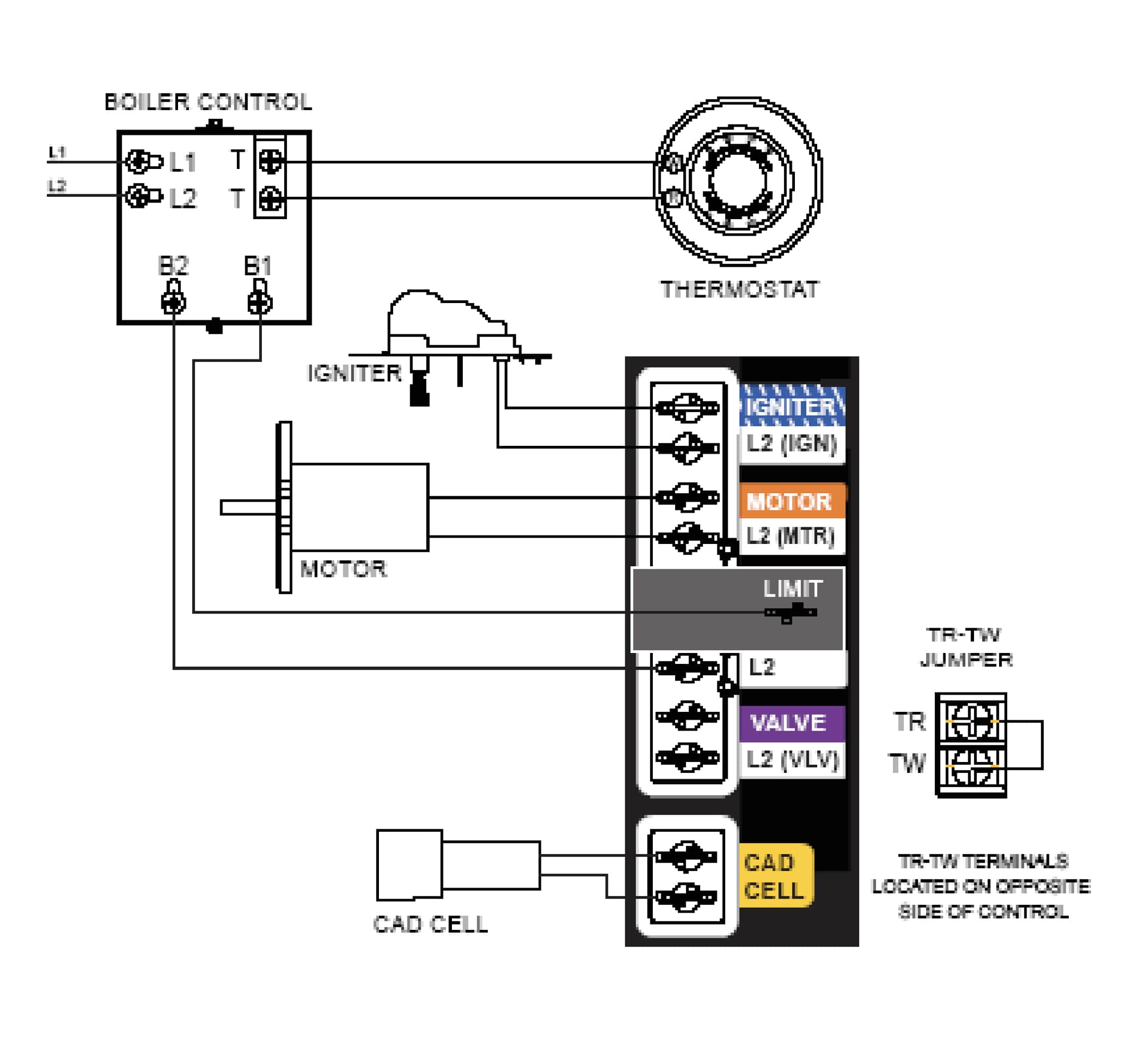
Typical Boiler Wiring – Valve-On Delay and Motor-Off Delay
Note: No L1/Limit jumper
- L1 to continuous 120Vac from appliance
- Limit to 120 Vac burner start wire (from limit circuit)
Beckett Training is Now Online
Informative and technical training resources from the leading experts in the heating industry
We're Here to Help!
Have questions about our products? Looking for a solution to address a particular application? Looking to improve the overall productivity and profitability of your operation? Please don’t hesitate to reach out or schedule a no obligation, 1-on-1 consultation with a Beckett Technical Specialist — we’d love to help.
Where to Buy
Beckett solutions are available through our network of Distributors, Independent Representatives, and Export Representatives all around the world.







































